전기 밸브 액추에이터

제품 기능
• Q 타입 전기 밸브 액츄에이터는 90도 회전 해야하는 나비 밸브, 볼 밸브 등에 적합합니다. 이 액추에이터는 작은 크기, 경량, 고효율, 높은 신뢰성, 높은 보호 기능, 저음 등으로 특징 지어집니다. 현장에서의 작업과 원격 제어 모두를 수행 할 수 있습니다. 따라서 석유 및 화학 산업, 발전소, 수처리 및 종이 제작 산업에 적용되었습니다.
• Freya는 밸브 자동화와 관련된 고품질 액추에이터 및 서비스를 제어, 제작 및 제공합니다.
• 자동화 분야에서 수년간의 경험을 바탕으로 Q 시리즈의 전기 액추에이터를 출시했습니다.이 일련의 전기 액추에이터는 작고 견고하며 신뢰할 수 있으며 복잡한 제어 시스템에 완전히 통합 될 수 있습니다.
• 우리는 항상 Q 시리즈 액추에이터 및 액세서리와 품질 서비스를 제공 할 준비가되었습니다.
• 작고 강력한 구조, 경량.
• 광범위한 토크 변화 (최소 50nm에서 최대 5000nm).
• 심한 산업 환경에 사용하기 위해 외부 고온 페인트 코팅이있는 내부 및 외부의 단단한 양극화 된 알루미늄 하우징.
• 인클로저는 방수 IP67 및 선택적 방수 LP68을 보호하는 방사형 씰 및 O- 링을 사용합니다.
• LSO5211 표준.
• 쉬운 가공 및 장착을위한 탈착식 드라이브 부싱.
• 이중 웜 기어링이 제공하는 자체 잠금 (브레이크 필요 없음).
• 단계를 자동으로 식별하고 수정합니다. 자동 위상 고장 보호는 장비 안전을 보호합니다.
• 과부하 상태에서 안전한 작동을 제공하는 신뢰할 수있는 기계식 토크 감지 시스템.
• 큰 크기의 창과 표시기는 거리에서 더 나은 위치 표시를 제공합니다.
• 쉬운 시운전 및 현장 운영을 제공하기위한 로컬 위치 제어 옵션 수.
제품 구조


1 통합 제어 장치가 아닌 스위치 버튼이 채택되어 완전한 방수 기능을 보장합니다. 내장 회로 보드는 광학 분리 요소에 의한 외부 간섭 신호로부터 신뢰할 수있는 전력 분리를 가지고 있습니다. 토크 스위치 유도가있는 경우 모터 및 밸브의 안전을 위해 액추에이터는 작업자가 홈 위치 (재설정) 버튼을 입력하기 전에 다른 센서에 의해 감지되지 않습니다.
2 제어 모드 선택
로컬 작동 장치에 설치된 선택적 스위치 "원격"-"정지"-"로컬"는 원격 작동 (원격 제어) 또는 로컬 작동 (로컬 제어) 또는 정지 모드를 설정하는 데 사용할 수 있습니다.
3 지역 전기 운영
로컬 작동 장치에 설치된 작동 스위치 "Open"-"Close"를 사용하여 액추에이터를 로컬로 열거 나 닫을 수 있습니다.
4 모터
독립적으로 분해 될 수있는 밸브-특이 적 모터는 높은 시작 토크와 작은 관성의 특성을 갖는다. 내장 된 온도 조절 장치가있는 다람쥐 케이지 유도 모터. 내장 온도 조절 장치는 온도가 증가하여 모터 손상을 방지합니다.
5 전기 작동
모터는 1 단계 박차 기어 쌍을 통해 전기 웜을 구동하고 벌레는 편심 샤프트를 구리 웜 기어와 결합하여 회전시킵니다. 이 감소 기어 구조에는 자체 잠금 성능이 있으며 모터가 멈출 때 밸브가 제 위치에 고정됩니다.
6 스트로크 제어, 토크 컨트롤 및 개방 메커니즘
스트로크 컨트롤 캠 메커니즘을 채택하고 캠 샤프트는 출력 샤프트와 동기화되고 각각 2 개의 마이크로 스위치가 개구 방향으로 설정됩니다. 캠 샤프트의 상단에는 밸브 위치를 나타내는 다이얼이 장착되어 있습니다. 토크 제어 전기 웜에는 나비 스프링 그룹이 장착되어 있으며 전기 웜의 축 이동은 출력 샤프트의 출력 토크에 비례하며 웜의 움직임은 랙 및 피니언 구조를 통해 토크 샤프트의 회전으로 변환됩니다. 캠은 토크 샤프트에 설치되며 마이크로 스위치는 개방 및 닫는 방향으로 제공됩니다.
7 수동 작동
핸드 휠이 회전하면 수동 웜은 고정 링 기어의 외부 기어를 회전시킬 수 있으며 고정 링 기어의 내부 기어와 행성 기어는 고정 축 기어 트레인을 형성하여 출력 샤프트를 회전시킵니다. 따라서 액추에이터의 수동 및 전기 작동 변환은 정적 고리 기어의 역할 변환을 통해 완료됩니다. 클러치가 없으며 완전 자동 스위칭을 달성하기 위해 핸들을 전환 할 필요가 없습니다.
8 터미널 박스
독립적 인 밀봉 된 터미널 캐비티는 현장 배선을 수행 할 때 전기 액추에이터의 전기 부분의 밀봉 무결성을 보장 할 수 있으며 동시에 제품 폭발 방지 요구 사항을 충족시킬 수 있습니다.
9 기계적 한계
개방 및 닫는 방향에 조정 가능한 한계 나사가 있습니다. 이 부분의 밀봉 성능이 우수하기 위해 특수 밀봉 개스킷이 리미트 나사에 설치되어 있습니다.
현장 사례


제품 액세서리

표준 사양
|
보호 등급 |
표준 IP65/IP67 특수 IP68 |
|
전원 공급 장치 |
3 상 AC380V --- 460V 50/60Hz 단일 상 : AC110V-AC220V DC24V AC24V 50/60Hz |
|
듀티 사이클 (온 오프) |
짧은 10 분 (특별 주문 30 분) |
|
듀티 사이클 (조절) |
짧은 10 분 (특별 주문 30 분) |
|
모터 |
다람쥐 케이지 유도 모터 |
|
제한 스위치 |
개방 및 클로즈에 대해 각각 2 (SPDT 250VAC/16A 등급) |
|
토크 스위치 |
개방 및 클로즈에 대해 각각 1 (SPDT 250VAC/16A 등급) |
|
잼 보호 |
빌드 인 과열 보호 |
|
여행 각도 |
90도 |
|
위치 표시기 |
화살표가있는 연속 기계 지표 |
|
자체 잠금 |
더블 웜 기어링 (브레이크 없음) |
|
기계식 마개 |
각 여행 끝 (개방 및 가까운), 외부 및 조절 가능마다 각각 1 |
|
주변 온도 |
표준 : -20-+60 학위 선택 사항 : -40-+80 학위 |
|
주변 습도 |
90%RH MAX (비 콜린 싱) |
|
폭발성 등급 |
Exdiibt4 IECEX ATEX 사용자 정의 인증을 제공 할 수 있습니다 |
|
기능 |
LCD 중국어 / 영어 디스플레이 창 및 지역 운영 기능 자체 위상 서열 식별 및 위상 단절 보호 적외선 설정 및 제어 결함 자기 진단 기술 Modbus, Profidbus DP, Hart |
|
신호 |
A : 원격 수동 건조 접촉, 신호 짧은 펄스 (인치). B : 원격 수동 건조 접촉, 신호 긴 맥박 (홀드). C : 활성 DC24V 신호. D : 활성 AC220V 신호. E : 원격 DC4-20MA 신호. |
|
피드백 신호 |
A : 개방, 닫기, 정지 신호 (수동 건조 접촉). B : 결함 신호 (수동 건조 접촉). C : 밸브 위치 신호 (DC4-20MA, DC1-5V, DC0-10V) D : 원격 제어 신호 (수동 건조 접촉) |
기술 데이터
|
모델 |
토크 (N·m) |
맥스. 줄기 지름 (mm) |
수동 비율 |
산출 속도 (R/Min) |
AC380V |
AC220V |
무게 kg |
|||
|
힘 (KW) |
현재의 (A) |
힘 (KW) |
현재의 (A) |
직접 장착 |
발판 장착 |
|||||
|
FRY-Q-005 |
50 |
19 |
60:1 |
0.5 |
0.045 |
0.35 |
0.06 |
0.7 |
8.5 |
16 |
|
FRY-Q-010 |
100 |
19 |
60:1 |
0.5 |
0.06 |
0.5 |
0.09 |
1.0 |
9 |
17 |
|
FRY-Q-015 |
100 |
28 |
90:1 |
0.5 |
0.06 |
0.5 |
0.09 |
1.0 |
17 |
25 |
|
FRY-Q-020 |
200 |
28 |
90:1 |
0.5 |
0.09 |
0.7 |
0.12 |
1.5 |
17 |
25 |
|
FRY-Q-030 |
300 |
28 |
90:1 |
0.5 |
0.12 |
0.8 |
0.15 |
2.0 |
17 |
25 |
|
FRY-Q-040 |
400 |
28 |
90:1 |
0.5 |
0.15 |
0.9 |
0.18 |
2.5 |
18 |
26 |
|
FRY-Q-060 |
600 |
38 |
87:1 |
0.5 |
0.18 |
1.0 |
0.25 |
3.0 |
25 |
41 |
|
FRY-Q-090 |
900 |
38 |
87:1 |
0.5 |
0.25 |
1.5 |
0.37 |
4.0 |
26 |
50 |
|
FRY-Q-120 |
1200 |
38 |
87:1 |
0.5 |
0.25 |
1.5 |
0.37 |
4.0 |
27 |
51 |
|
FRY-Q-180 |
1800 |
38 |
87:1 |
0.5 |
0.37 |
2.0 |
0.55 |
5.0 |
28 |
67 |
|
FRY-Q-300 |
3000 |
55 |
348:1 |
0.5 |
0.37 |
2.0 |
0.55 |
5.0 |
39 |
77 |
|
FRY-Q-400 |
4000 |
55 |
348:1 |
0.5 |
0.55 |
3.0 |
0.75 |
7.0 |
40 |
78 |
|
FRY-Q-500 |
5000 |
55 |
348:1 |
0.5 |
0.55 |
3.0 |
0.75 |
7.0 |
41 |
82 |
메모:
1. 정격 전압 하에서, 모터의 정격 전류에 대한 잼 전류의 비율은 7이고, 공차는 보장 된 값의 +20%입니다.
2. LF 특별 요구 사항이 있습니다. 회사는 0.25/1/2/3/4 (R/Min) 등을 다른 속도를 제공 할 수 있습니다.
치수

|
모델 |
B1 |
B2 |
H |
H1 |
H2 |
L |
L1 |
D |
|
FRY-Q-005/015 |
68 |
114 |
156 |
270 |
73 |
250 |
157 |
140 |
|
FRY-Q-020/040 |
91 |
157 |
191 |
273 |
103 |
332 |
208 |
160 |
|
FRY-Q-060/180 |
143 |
203 |
227 |
309 |
126 |
424 |
232 |
250 |
|
FRY-Q-300/800 |
143 |
203 |
291 |
373 |
190 |
424 |
232 |
250 |
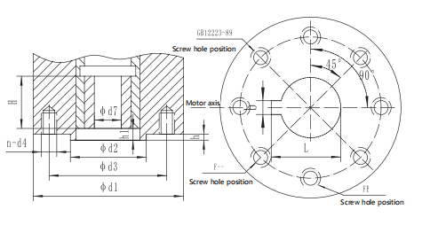
연결 치수

|
모델 |
B1 |
B2 |
H |
H1 |
H2 |
L |
L1 |
D |
|
FRY-Q-005/015 |
68 |
114 |
156 |
270 |
73 |
250 |
157 |
140 |
|
FRY-Q-020/040 |
91 |
157 |
191 |
273 |
103 |
332 |
208 |
160 |
|
FRY-Q-060/180 |
143 |
203 |
227 |
309 |
126 |
424 |
232 |
250 |
|
FRY-Q-300/800 |
143 |
203 |
291 |
373 |
190 |
424 |
232 |
250 |
연결 치수

|
모델 |
플랜지 모델 |
d1 |
d2 |
d3 |
n-d4 |
D7 |
H |
h |
h1 |
||
|
예약된 |
맥스. |
||||||||||
|
FRY-Q-005 |
FB1 |
77 |
57 |
4-M6 |
12.7 |
12.7 |
35 |
||||
|
FRY-Q-010 |
FB1 |
77 |
57 |
4-M6 |
15.9 |
15.9 |
35 |
3 |
2 |
||
|
F05 |
65 |
35 |
50 |
4-M6 |
8 |
18 |
35 |
||||
|
FRY-Q-015 FRY-Q-020 |
FB2 |
92 |
70 |
4-M8 |
19 |
19 |
42 |
||||
|
F07 |
90 |
55 |
70 |
4-M8 |
12 |
28 |
42 |
3 |
2 |
||
|
FRY-Q-030 FRY-Q-040 |
FB3 |
115 |
89 |
4-M12 |
22.2 |
22.2 |
42 |
||||
|
F10 |
125 |
70 |
102 |
4-M10 |
12 |
28 |
42 |
3 |
2 |
||
|
FRY-Q-060 |
FB3 |
115 |
89 |
4-M12 |
28.6 |
28.6 |
50 |
||||
|
F10 |
125 |
70 |
102 |
4-M10 |
15 |
38 |
50 |
3 |
2 |
||
|
FRY-Q-120 |
FB4 |
140 |
108 |
4-M12 |
31.7 |
31.7 |
50 |
||||
|
F12 |
150 |
85 |
125 |
4-M12 |
15 |
38 |
50 |
3 |
2 |
||
|
FRY-Q-120 FRY-Q-180 |
FB5 |
197 |
159 |
4-M16 |
33.3 |
33.3 |
60 |
||||
|
F14 |
175 |
100 |
140 |
4-M16 |
20 |
38 |
60 |
3 |
3 |
||
|
FRY-Q-180 FRY-Q-300 FRY-Q-500 |
FB5 |
197 |
159 |
4-M16 |
41.3 |
41.3 |
90 |
||||
|
F16 |
210 |
130 |
165 |
4-M20 |
20 |
60 |
90 |
3 |
3 |
||
공장

인기 탭: 해외 플랫폼 부품 전기 밸브 액츄에이터, 중국, 제조업체, 공급 업체, 공장, 구매, 가격, 견적
